RPC ELECTRONICS, 749 Miner Road, Highland Heights, Ohio .....
Senior Component Sales Engineer...



RPC ELECTRONICS, 749 Miner Road, Highland Heights, Ohio .....
Senior Component Sales Engineer...
At RPC ELECTRONICS ("RPC"), Highland Heights, Ohio, a contract manufacture "front end" to assembly houses, I was the "everything engineer" ... I joined RPC in September of 2015.
Electronics engineering was my primary role, but I fully supported marketing, hence "Sales Engineer" in my title.
At RPC, I had an interesting variety of customers and challenges to sharpen my engineering skills. Some customers were involved in cutting edge medical applications. I had some interaction with COTSWORKS, RPC sister company and neighbor in Highland Heights, Ohio, a manufacture of rugged optical components for harsh environments, especially aerospace, regarding their control electronics of their specialized manufacturing machines.
Shown in the first four snaps here is my CAD work (Altium Designer) on the customer four channel opto-detector interface pcb, and the test system for the manufacture of these boards (The four black blocks hold thru hole opto-detector modules that optically align to mating fiber optic cable assemblies. The two level green block [TB1] provides the electrical interconnection to the board. Yes, twenty pins seen on the 2 dimensional artwork view. Pin one being labeled "SH", and a square pad.)
The snapshot at the bottom (2 dimensional view) is part of a dense four layer interface pcb for this same customer. (In total, this customer had three boards in need of SMD conversion from thru hole, and with updated component choices, while keeping the existing form and function requirements. Also needed were test systems for complete testing of these boards.)
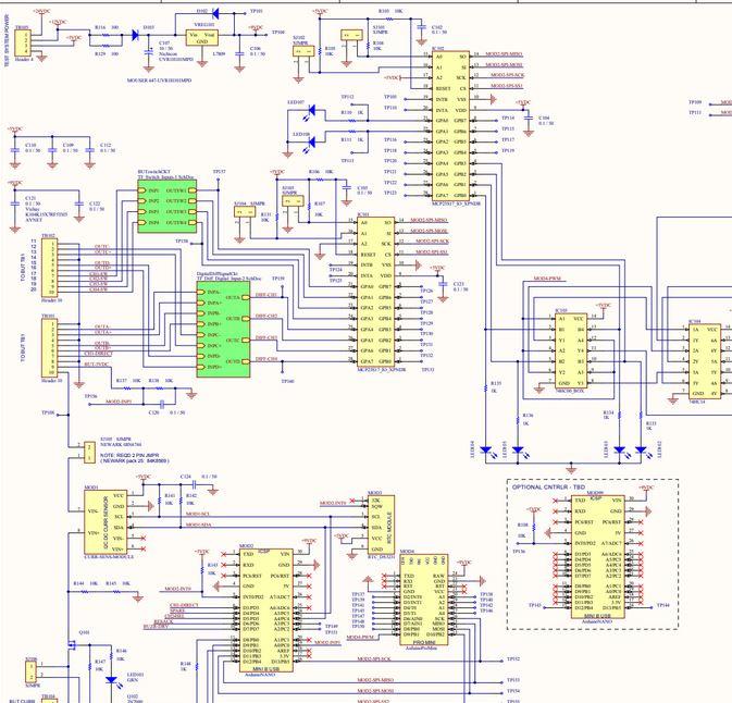
The schematic shown is for the test system pc board that functionally tests the four channel opto-detector pc board. (Yes, the green blocks of the schematic are sub-circuits, documented on separate pages.)